Loading...
这是一个气压计模块,可以读取气压和温度,计算海拔。连接方式iic数据获取流程:注意:long BMP_Read_UT(void)和long BMP_Read_UP(void)一定要有 HAL_Delay(5); 的延时 bmp180.c#include "bmp180.h" //存储BMP180数据的结构 _bmp180 bmp180; //写一个数据到BMP180...
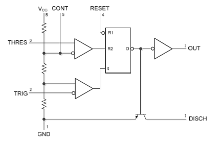
先来看555内部结构各个引脚对应的功能:1:GND2:触发引脚 1/3VCC的时候触发3:输出4:复位 高电平的时候芯片才工作5:控制电压,在第一张图可以...
回顾上一个dht11的温湿度传感器驱动,有很多可以优化的地方。比如:完全可以不用定时器,因为上次没注意到,每个bit前都有一个50us的下拉信号,可以用这...
【4K超清版】你被魅惑了/英雄联盟KDA女团皮肤官方MV(K/DA - POP/STARS)
韩流女王李贞贤最有名的舞曲-哇.橙衣扔扇子版 美到窒息
韩流女王李贞贤最美最劲爆现场演出 台下男粉丝太给力
喜欢就去给原作者3连↓?当我和小学生的10岁妹妹唱了高难度绝美戏腔歌曲——【人间不值得】(妖猫传剪辑付)
这个eagle非常坑,直接输入smooth selected signal是不行的在技术文档可以看到真正的命令:是:QROUTESMOOTH要用这个命令设快捷键
需要加入SPICEINITCOND=2.5的属性
信号发生的格式
小米牙刷拆解维修记
就在刚刚创建这个小组的时候,去搜本兮的一张图片,结果搜到如下画面:点开看还蛮,,毛骨悚然的。这我就在想这些三流自媒体是怎么获得这张图片的,然后我就搜索图片来源(谷歌搜图)其实图片源自于 北京时间的一则新闻:美国纽约警察钓鱼执法 妓女逃跑跳楼身亡和本兮没有任何关系。只不过是一些自媒体为了博人眼球把这张图和本兮联系在了一起
一个人走在熟悉的海边微风吹过我的脸勾起了我对你的思念baby你一个人在天国过得还好吗i miss you不知不觉你离开我已经快一年了在没有你的日子里我的生...
来自科技美学微信公众号今天,苹果和英特尔联合宣布,苹果将以10亿美元收购英特尔智能手机调制解调器业务的“大部分”。包括大约2200名英特尔员工、英特尔相关...
先用cubemx配置好一个串口记得把中断勾上开始写代码:s7003.h#include "main.h" #include "...
平时我们使用lcd1602显示屏显示很少的数据,但是屏幕接线却非常多,有点浪费IO资源。然后我们就来整一个595驱动1602接线方法使用的是1602的4线模式这样1个595就够了595_1602.h#include "main.h" #include "stm32l0xx_hal.h" #define sdi(x) HAL_GPIO_WriteP...
12864.h#include "main.h" ...
ds3231.h#include "main.h" //不同的cubemx版本生成的不一样,自己看着调用 #include "stm32l0xx_hal.h" #define DS3231_WriteAddress 0xD0 //器件写入地址 #define DS3231_ReadAd...
1.同相放大器放大倍数=1+(R1/R2)VOUT=V_IN*(1+(R1/R2))放大原理根据虚短的概念,v+=v-,v-=(V_OUT/R1+R2)*...